Teknion

Gum Drop Conference Table
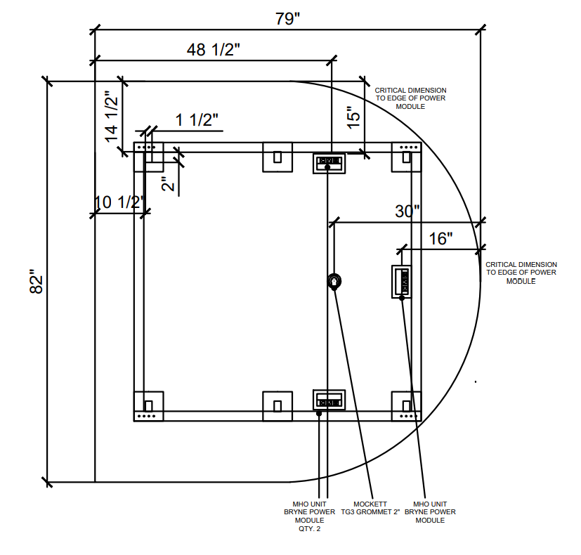
6 Person

  • Teknion Work Table

    • D-Shaped Peninsula
      82”w x 79”d

    • Straight Metal Leg
      Paint: Soft Black (Matte)

    • Laminate Top
      Choice Maple

    • Byrne Electrics

    • (1) 2” Grommet for AV TAP device

    • (2) Power Module
      Byrne Mho: P | P

    • (1) Interlink IQ 2.0 Control Box, 72” Straight Plug Infeed