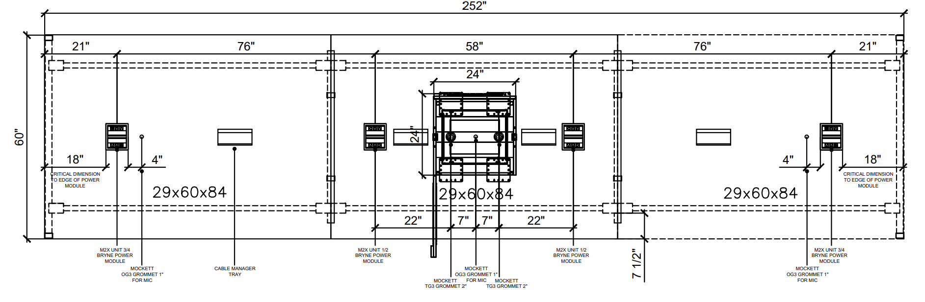
Teknion

Large Conference Table

  • Teknion Work Table

    • 60”d x 60”w (3)

    • Straight Metal Leg
      Paint: Soft Black (Matte)

    • Laminate Top
      Choice Maple

    • Byrne Electrics

    • (2) 2” Grommet for AV TAP device

    • (3) 1” Grommet for microphone

    • (2) Power Module
      Byrne Mho 2X ½ Sequence Starter 120”
      P P | USB-A + C | P P | USB-A + C (2)

    • Power Module (2)
      Byrne Mho 2X 3/4" Sequence Adder 60”
      P P P | P P P

    • Straight Plug, End outlets rotated 90 degrees per MS show drawing